


Technical Data
| Standards | |||
| Design and Manufacture | BS EN 13709 | ||
| Face to face dimensions | BS EN 558-1 | ||
| Flange end dimensions | BS EN 1092-1 | ||
| Butt welding end dimensions | BS EN 12627 | ||
| Inspection and Test | BS EN 12266 | ||
| Temperature and Pressure | BS EN 12516-1 | ||
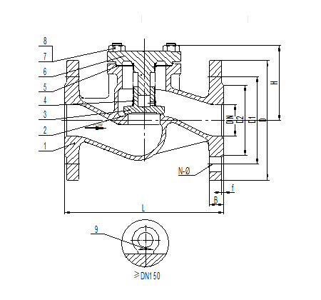
Main Parts Materials
| No | Part Name | Carbon Steel to EN | Alloy Steel to EN | Stainless Steel to EN | ||||
| 1 | 阀体 | Body | 1.0619(GS-C25) | A352 LCB | 1.7357 | 1.4308 | 1.4408 | 1.4462 |
| 2 | 阀座 | Seat | 13Cr or Stellite6 | 1.4301 | Stellite6 | 1.4308 or Stellite6 | 1.4408 or Stellite6 | 1.4462 |
| 3 | 阀瓣 | Disc | 1.4021(X20Cr13) | 1.4301 | 1.4021(X20Cr13) | 1.4301 | 1.4401 | A182 F51 |
| 4 | 弹簧 | Spring | 1.4301 | 1.4301 | 1.4301 | 1.4301 | 1.4401 | 1.4401 |
| 5 | 垫片 | Gasket | Graphite+SS304 | Graphite+SS304 | Graphite+SS316 | Graphite+SS304 | Graphite+SS316 | Graphite+SS316 |
| 6 | 阀盖 | Cover | 1.0619(GS-C25) | A352 LCB | 1.7357 | 1.4308 | 1.4408 | 1.4462 |
| 7 | 螺栓 | Bolt | A193 B7 | A193 L7 | A193 B16 | A193 B8 | A193 B8M | A193 B8M |
| 8 | 螺母 | Nut | A193 2H | A193 4 | A193 4 | A193 8 | A193 8M | A193 8M |
| 9 | 吊环≥DN150 | Lifting Ring | 1.4301 | 1.4301 | 1.4301 | 1.4301 | 1.4301 | 1.4301 |
Main Outline and Connetcting Size
| Fig:301-PN16(EN558-1 series1) | |||||||||||||||||
| DN | mm | 15 | 20 | 25 | 32 | 40 | 50 | 65 | 80 | 100 | 125 | 150 | 200 | 250 | 300 | 350 | 400 |
| L | mm | 130 | 150 | 160 | 180 | 200 | 230 | 290 | 310 | 350 | 400 | 480 | 600 | 730 | 850 | 980 | 1100 |
| H | mm | 70 | 70 | 75 | 75 | 95 | 95 | 110 | 125 | 145 | 180 | 210 | 270 | 320 | 360 | 440 | 485 |
| Weight | Kg | 2.7 | 3.4 | 4.2 | 6 | 7.5 | 9.5 | 10 | 15 | 28.3 | 38 | 56 | 105 | 160 | 275 | 520 | 820 |
| Fig:301-PN25(EN558-1 series1) | |||||||||||||||||
| DN | mm | 15 | 20 | 25 | 32 | 40 | 50 | 65 | 80 | 100 | 125 | 150 | 200 | 250 | 300 | 350 | 400 |
| L | mm | 130 | 150 | 160 | 180 | 200 | 230 | 290 | 310 | 350 | 400 | 480 | 600 | 730 | 850 | 980 | 1100 |
| H | mm | 70 | 70 | 75 | 75 | 95 | 95 | 110 | 125 | 145 | 180 | 210 | 270 | 320 | 360 | 440 | 485 |
| Weight | Kg | 2.7 | 3.4 | 4.2 | 6 | 7.5 | 9.5 | 11 | 17 | 31.5 | 46 | 69 | 117 | 170 | 295 | 560 | 850 |
| Fig:301-PN40(EN558-1 series1) | |||||||||||||||||
| DN | mm | 15 | 20 | 25 | 32 | 40 | 50 | 65 | 80 | 100 | 125 | 150 | 200 | 250 | 300 | 350 | 400 |
| L | mm | 130 | 150 | 160 | 180 | 200 | 230 | 290 | 310 | 350 | 400 | 480 | 600 | 730 | 850 | 980 | 1100 |
| H | mm | 70 | 70 | 75 | 75 | 95 | 95 | 110 | 125 | 145 | 180 | 210 | 270 | 320 | 360 | 440 | 485 |
| Weight | Kg | 2.7 | 3.4 | 4.2 | 6 | 7.5 | 9.5 | 11 | 17 | 31.5 | 46 | 69 | 125 | 182 | 325 | 600 | 900 |