EN F5-F7 Gate Valves

    EN F5-F7 Gate Valves

     

    Technical Data

     Standards

    Design and Manufacture BS EN 1984
    Face to face dimensions BS EN 558-1
    Flange end dimensions BS EN 1092-1
    Butt welding end dimensions BS EN 12627
    Inspection and Test BS EN 12266
    Temperature and Pressure BS EN 12516-1

     

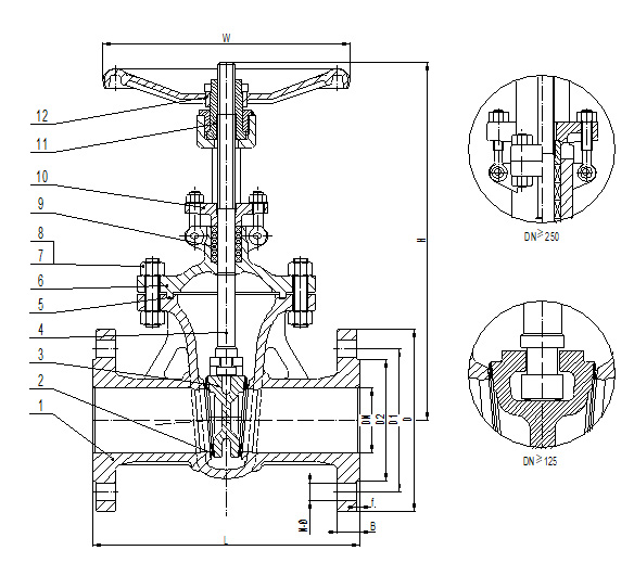
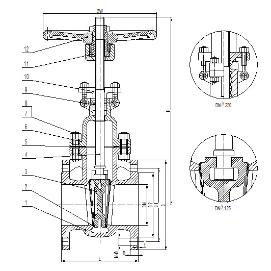
    Main Parts Materials

    No 零件名Part Name 铸钢 Carbon Steel to EN 合金钢 Alloy Steel to EN 不锈钢 Stainless Steel to EN
    1 阀体 Body 1.0619(GS-C25) A352 LCB 1.7357 1.4308 1.4408 1.4462
    2 阀座 Seat 13Cr or Stellite6 1.4301 Stellite6 1.4308 or Stellite6 1.4408 or Stellite6 1.4462
    3 闸板 Wedge 1.0619(GS-C25)+13Cr A352 LCB+304 1.7357+Stellite 1.4308 1.4408 1.4462
    4 阀杆 Stem 1.4021(X20Cr13) 1.4301 1.4021(X20Cr13) 1.4301 1.4401 A182 F51
    5 垫片 Gasket Graphite+SS304 Graphite+SS304 Graphite+SS316 Graphite+SS304 Graphite+SS316 Graphite+SS316
    6 阀盖 Bonnet 1.0619(GS-C25) A352 LCB 1.7357 1.4308 1.4408 1.4462
    7 螺栓 Bolt A193 B7 A193 L7 A193 B16 A193 B8 A193 B8M A193 B8M
    8 螺母 Nut A193 2H A193 4 A193 4 A193 8 A193 8M A193 8M
    9 填料 Packing Graphite Graphite Graphite Graphite or PTFE Graphite or PTFE Graphite or PTFE
    10 填料压盖 Gland 1.0619(GS-C25) A352 LCB 1.7357 1.4308 1.4408 1.4462
    11 阀杆螺帽 Stem Nut  0.7043(GGG40.3)  0.7043(GGG40.3)  0.7043(GGG40.3) Copper Alloy Copper Alloy Copper Alloy
    12 手轮 Handwheel Ductile Iron Ductile Iron Ductile Iron Ductile Iron Ductile Iron Ductile Iron


     Main Outline and Connetcting Size

    Fig:201- PN16 (EN558-1 series 14)
    DN mm 40 50 65 80 100 125 150 200 250 300 350 400 500 600
    L mm 140 150 170 180 190 200 210 230 250 270 290 310 350 390
    H mm 270 300 350 400 480 515 595 740 880 1040 1180 1360 1630 2400
    W mm 180 180 200 220 250 250 300 350 400 450 500 550 600 600
    Weight Kg 11 13 19 26 35 44 54 87 160 205 280 385 685 780
    Fig:202- PN16 (EN558-1 series 15)
    DN mm 50 65 80 100 125 150 200 250 300 350 400 500 600 -
    L mm 250 270 280 300 325 350 400 450 500 550 600 700 800 -
    H mm 325 350 415 465 545 610 775 905 1020 1180 1300 1585 1810 -
    W mm 200 200 250 280 300 360 360 400 450 500 500 600 600 -
    Weight Kg 23 25 38 45 72 97 169 258 330 470 572 1180 1450 -
    Fig:202- PN25 (EN558-1 series 15)
    DN mm 50 65 80 100 125 150 200 250 300 350 400 500 600 -
    L mm 250 270 280 300 325 350 400 450 500 550 600 700 800 -
    H mm 325 350 415 465 545 610 775 905 1020 1180 1300 1585 1810 -
    W mm 200 250 250 280 300 360 360 400 450 500 500 600 600 -
    Weight Kg 23 28 42 56 76 108 182 280 352 495 652 1250 1560 -
    Fig:203- PN40 (EN558-1 series 26)
    DN mm 50 65 80 100 125 150 200 250 300 350 400 500 600 -
    L mm 250 290 310 350 400 450 550 650 750 850 950 1150 1350 -
    H mm 377 390 418 490 540 630 824 915 1085 1190 1310 1560 1875 -
    W mm 200 250 250 300 300 360 400 450 500 600 600 650 750 -
    Weight Kg 25 33 45 59 78 116 225 360 513 710 955 1368 2150 -
    Fig:203-PN63 (EN558-1 series 26)
    DN mm 50 65 80 100 125 150 200 250 300 350 400 500 600 -
    L mm 250 290 310 350 400 450 550 650 750 850 950 1150 1350 -
    H mm 380 410 450 525 605 675 820 975 1115 1235 1385 1500* 1690* -
    W mm 200 250 250 300 300 360 400 450 500 600 600 550* 550* -
    Weight Kg 32 39 53 78 123 176 340 435 560 843 1310 1900 3765 -
    Fig:203- PN100 (EN558-1 series 26)
    DN mm 50 65 80 100 125 150 200 250 300 350 400 - - -
    L mm 250 290 310 350 400 450 550 650 750 850 950 - - -
    H mm 390 415 460 510 625 750 890 1050 1208 1900* 2285* - - -
    W mm 200 250 280 300 360 450 500 650 700 460* 550* - - -
    Weight Kg 42 55 63 101 147 228 450 608 1020 1350 1650 - - -

    Prev:EN Non-rising Stem Gate Valve        Next:EN F4 Gate Valves