



Technical Data
| 技术标准Standards | |||
| Design and Manufacture | BS EN 13709 | ||
| Face to face dimensions | BS EN 558-1 | ||
| Flange end dimensions | BS EN 1092-1 | ||
| Butt welding end dimensions | BS EN 12627 | ||
| Inspection and Test | BS EN 12266 | ||
| Temperature and Pressure | BS EN 12516-1 | ||
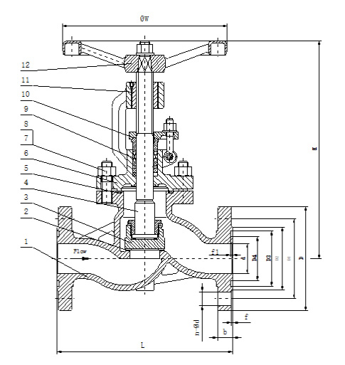
Main Parts Materials
| No | 零件名Part Name | 铸钢 Carbon Steel to EN | 合金钢 Alloy Steel to EN | 不锈钢 Stainless Steel to EN | ||||
| 1 | 阀体 | Body | 1.0619(GS-C25) | A352 LCB | 1.7357 | 1.4308 | 1.4408 | 1.4462 |
| 2 | 阀座 | Seat | 13Cr or Stellite6 | 1.4301 | Stellite6 | 1.4308 or Stellite6 | 1.4408 or Stellite6 | 1.4462 |
| 3 | 阀瓣 | Disc | 1.4021(X20Cr13) | 1.4301 | 1.4021(X20Cr13) | 1.4301 | 1.4401 | A182 F51 |
| 4 | 阀杆 | Stem | 1.4021(X20Cr13) | 1.4301 | 1.4021(X20Cr13) | 1.4301 | 1.4401 | A182 F51 |
| 5 | 垫片 | Gasket | Graphite+SS304 | Graphite+SS304 | Graphite+SS316 | Graphite+SS304 | Graphite+SS316 | Graphite+SS316 |
| 6 | 阀盖 | Bonnet | 1.0619(GS-C25) | A352 LCB | 1.7357 | 1.4308 | 1.4408 | 1.4462 |
| 7 | 螺栓 | Bolt | A193 B7 | A193 L7 | A193 B16 | A193 B8 | A193 B8M | A193 B8M |
| 8 | 螺母 | Nut | A193 2H | A193 4 | A193 4 | A193 8 | A193 8M | A193 8M |
| 9 | 填料 | Packing | Graphite | Graphite | Graphite | Graphite or PTFE | Graphite or PTFE | Graphite or PTFE |
| 10 | 填料压盖 | Gland | 1.0619(GS-C25) | A352 LCB | 1.7357 | 1.4308 | 1.4408 | 1.4462 |
| 11 | 阀杆螺帽 | Stem Nut | 0.7043(GGG40.3) | 0.7043(GGG40.3) | 0.7043(GGG40.3) | Copper Alloy | Copper Alloy | Copper Alloy |
| 12 | 手轮 | Handwheel | Ductile Iron | Ductile Iron | Ductile Iron | Ductile Iron | Ductile Iron | Ductile Iron |
Main Outline and Connetcting Size
| Fig:101-PN16(EN558-1 series1) | |||||||||||||||||
| DN | mm | 15 | 20 | 25 | 32 | 40 | 50 | 65 | 80 | 100 | 125 | 150 | 200 | 250 | 300 | 350 | 400 |
| L | mm | 130 | 150 | 160 | 180 | 200 | 230 | 290 | 310 | 350 | 400 | 480 | 600 | 730 | 850 | 980 | 1100 |
| H | mm | 185 | 185 | 205 | 205 | 245 | 250 | 270 | 315 | 370 | 410 | 440 | 590 | 730 | 840 | 980 | 1080 |
| W | mm | 140 | 140 | 160 | 160 | 180 | 180 | 200 | 220 | 250 | 280 | 300 | 500 | 500 | 500 | 600 | 600 |
| Weight | Kg | 3.85 | 4.6 | 5.5 | 7.5 | 9.5 | 12 | 16 | 22 | 33.3 | 50 | 72 | 135 | 195 | 340 | 510 | 820 |
| Kv | - | 4.6 | 8 | 13.2 | 21 | 33 | 51 | 83 | 133 | 205 | 315 | 454 | 780 | 1285 | 1805 | 2225 | 2906 |
| Fig:101-PN25(EN558-1 series1) | |||||||||||||||||
| DN | mm | 15 | 20 | 25 | 32 | 40 | 50 | 65 | 80 | 100 | 125 | 150 | 200 | 250 | 300 | 350 | 400 |
| L | mm | 130 | 150 | 160 | 180 | 200 | 230 | 290 | 310 | 350 | 400 | 480 | 600 | 730 | 850 | 980 | 1100 |
| H | mm | 185 | 185 | 205 | 205 | 245 | 250 | 270 | 315 | 386 | 440 | 515 | 655 | 820 | 928 | 980 | 1080 |
| W | mm | 140 | 140 | 160 | 160 | 180 | 180 | 200 | 220 | 250 | 280 | 300 | 500 | 500 | 500 | 600 | 600 |
| Weight | Kg | 3.85 | 4.6 | 5.5 | 7.5 | 9.5 | 12 | 16.6 | 23.5 | 34.5 | 52.5 | 75 | 135 | 220 | 370 | 550 | 865 |
| Kv | - | 4.6 | 8 | 13.2 | 21 | 33 | 51 | 83 | 133 | 205 | 315 | 454 | 780 | 1285 | 1805 | 2225 | 2906 |
| Fig:101-PN40(EN558-1 series1) | |||||||||||||||||
| DN | mm | 15 | 20 | 25 | 32 | 40 | 50 | 65 | 80 | 100 | 125 | 150 | 200 | 250 | 300 | 350 | 400 |
| L | mm | 15 | 150 | 160 | 180 | 200 | 230 | 290 | 310 | 350 | 400 | 480 | 600 | 730 | 850 | 980 | 1100 |
| H | mm | 185 | 185 | 205 | 205 | 245 | 250 | 270 | 315 | 386 | 440 | 515 | 655 | 820 | 928 | 980 | 1080 |
| W | mm | 140 | 140 | 160 | 160 | 180 | 180 | 200 | 220 | 250 | 280 | 300 | 500 | 500 | 500 | 600 | 600 |
| Weight | Kg | 3.85 | 4.6 | 5.5 | 7.5 | 9.5 | 12 | 16.6 | 23.5 | 34.5 | 52.5 | 75 | 144 | 235 | 390 | 575 | 900 |
| Kv | - | 4.6 | 8 | 13.2 | 21 | 33 | 51 | 83 | 133 | 205 | 315 | 454 | 780 | 1285 | 1805 | 2225 | 2906 |